全國咨詢熱線
1333-2626-992 咨詢
|
型號 Model |
額定扭矩 Minimum torque at rated current |
額定電流 Rated current |
線圈電阻 (于 25°C±10%) Resistance at 25°C ± 10% |
額定滑差功率 Kinetic power |
|
|---|---|---|---|---|---|
|
5分鐘 5 min |
持續 Continuous |
||||
| g·cm | mA | Ω | watts | watts | |
| MHBET-801 | 700 | 200 | 112 | 65 | 20 |
| MHBET-501 | 350 | 208 | 115 | 55 | 18 |
| MHBET-201 | 180 | 192 | 125 | 40 | 15 |
| MHBET-101 | 160 | 192 | 125 | 40 | 15 |
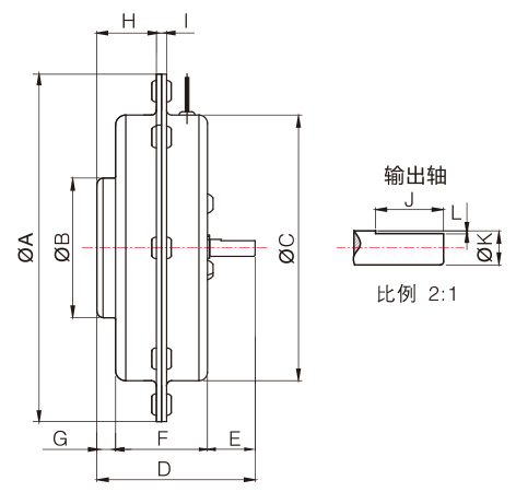
| 型號 Model | øA | øB | øC | D | I | F | G | H | E | J | øK | L |
|---|---|---|---|---|---|---|---|---|---|---|---|---|
| MHBET-801 | 102 | 41 | 78 | 46.5 | 3 | 27 | 5.5 | 17.5 | 14 | 10 | 5 | 0.4 |
| MHBET-801 | 14 | 10 | 4.75 | 0.5 | ||||||||
| MHBET-501 | 15 | 10 | 4 | 0.4 | ||||||||
| MHBET-201 | 14 | 8 | 3 | 0.3 | ||||||||
| MHBET-101 | 14 | 8 | 3 | 0.3 |